| Applicable medium | Water, Slurry, etc | |
| Working pressure | 16bar | |
Introduction
Parameters
| Name | Design and manufacture | Face to face Length | Pressure Test | End Flange |
| Reference Standard | API599 | ASME B16.10 | API598 | ASME B16.5 |
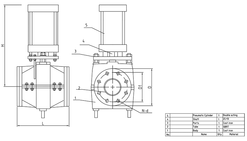
| Name | Body | Tube | Shaft | Actuator |
| Material | Cast iron | SBRT | 2Cr13 | Pneumatic cylinder |
| Norminal pressure | Gas seal test(MPa) | Water seal test (MPa) | Shell seal test(MPa) | Working tempreature |
| 150LB | 0.6 | 2.2 | 3 | -25...+130℃ |




