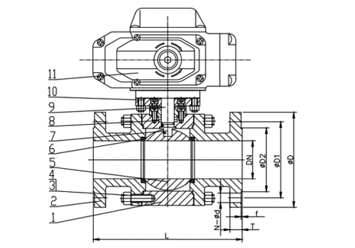
Features:
Suitable medium:Water ,steam,oil products etc
Working temperature:-20℃~150℃
Application field:Municipal construction, water conservancy projects, powe station, water supplier and drainage, water treatment, oil & petrochemical industry.
Product advantages:
1、The valve body is a precision casting valve body, the material is up to standard, the appearance is fine, and there is no trachoma;
2、The valve body is a solid durable body;
3、The sphere is a stainless steel forged sphere;
4、Anti blow-out shaft design with excellent safety performance ;
5、The protection level of electric actuator reaches IP67;
6、Each valve will be inspected for shell and seal pressure before leaving factory。



